System View

Architecture and Data Path

Hardware and firmware structure for the current XC7A200T implementation and bring-up targets.

Top-level processing flow

Stage Module Focus Notes
ADC capture AD9484 interface + CDC edge 400 MHz sampling domain, synchronized into processing pipeline.
DDC NCO + CIC + FIR I/Q conversion and decimation for baseband-ready stream.
Matched filter FFT-based chain Synthesis branch is golden for hardware-equivalent co-sim.
Range/Doppler Range bin decimator + Doppler FFT 32 chirps/frame, 64 range bins, deterministic frame outputs.
Host path FT601 interface USB streaming with framing and soak validation in bring-up.

Current target split strategy

  • Production target remains xc7a200t-2fbg484i with full board constraints.
  • TE0712/TE0701 and TE0713/TE0701 use dedicated top wrappers and dedicated XDC files.
  • Board-specific pinouts are isolated from core DSP modules to avoid accidental cross-target regression.
  • Bring-up sequence starts from minimal heartbeat top, then steps into full signal chain validation.

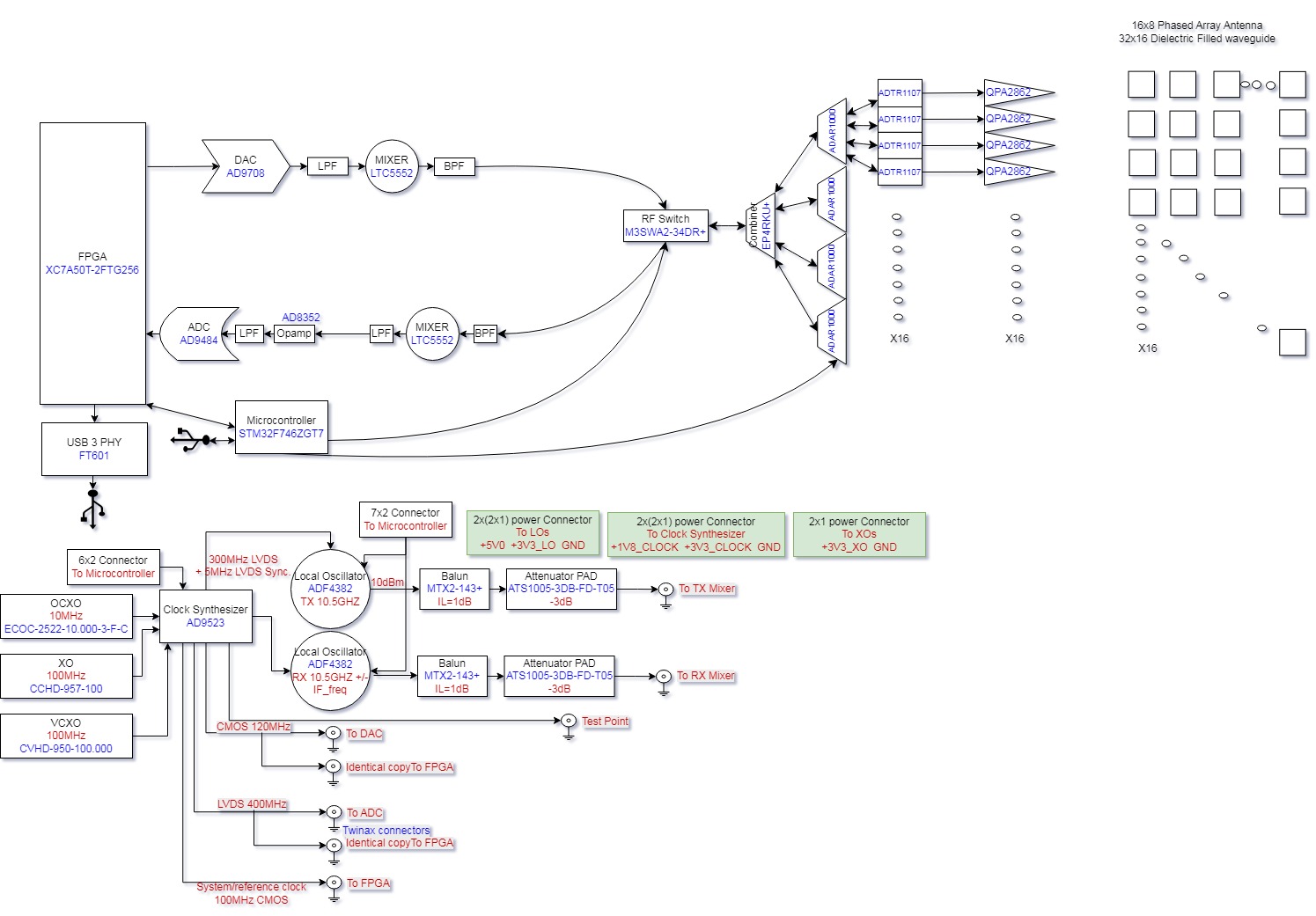
Reference block diagram

AERIS-10 system architecture diagram

Diagram snapshot from AERIS-10 project architecture.